|
安科瑞電氣股份有限公司,上海 嘉定 201801
1 概述
“節能減排”目前已成為衡量企業未來可持續發展的重要指標。隨著電信、銀行以及大型企業業務的擴展,龐大的數據中心所帶來的管理維護費用和不斷攀升的電費已成為企業主管的一大難題。電氣隱患是如何產生的?電能是如何消耗的?本文介紹數據信息中心基于導軌式安裝電力監控儀表的電源監控管理方案。該方案主要由觸摸屏、單相或三相交流信號采集單元、互感器構成,能對數據中心電源進行實時采集與顯示電壓、電流、有功功率、無功功率、功率因數、諧波和電能。
2 電源管理系統宜選導軌式安裝電力監控儀表
安科瑞導軌式安裝電力監控儀表采用DIN35mm導軌式安裝結構、LCD顯示,測量電能及其它電參量,可進行時鐘、費率時段等參數設置,并具有電能脈沖輸出功能;可用RS485通訊接口與上位機實現數據交換。
該類型表具有體積小巧、精度高、可靠性好、安裝方便等優點,性能指標符合國標GB/T 17215、GB/T 17883和電力行業標準DL/T614對電能表的各項技術要求,適用于政府機關和大型公建中對電能的分項計量,也可用于企事業單位作電能管理考核。
3 通訊機房(數據信息中心)電源管理系統表計的選型方案
|
應用場合 |
|
型號 |
主要功能 |
|
電源進線 |
 |
DTSD1352-H (ADL-3000EH) |
測量相電壓、線電壓、電流、有功功率(分相與合相)、無功功率(分相與合相)、視在功率(分相與合相)、功率因數(分相與合相)等;四象限電能計量;總諧波含量測量 |
|
大電流三相分支回路 |
DTSD1352 (ADL-3000E) |
一次輸入0-80A,測量相電壓、線電壓、電流、有功功率(分相與合相)、無功功率(分相與合相)、視在功率(分相與合相)、功率因數(分相與合相)等;四象限電能計量 |
|
小電流三相分支回路或單相分支回路 |
 |
ADL-300E |
二次輸入0-50mA,測量相電壓、線電壓、電流、有功功率(分相與合相)、無功功率(分相與合相)、視在功率(分相與合相)、功率因數(分相與合相)、有功電能及無功電能 |
 |
AMC16-3E3 |
9路單相(3路三相)I、U、P、Q、F測量;有功電能計量;18DI+1DO、RS485通訊接口、Modbus協議 |
|
AMC16-1E9 |
|
開關量采集 |
 |
ARTU-K32 |
32路開關量采集、SOE事件記錄、RS485通訊接口、Modbus協議 |
4 通訊機房(數據信息中心)電源管理系統
4.1 電源監控配電方案
典型一次圖見圖1,由DTSD1352-H、DTSD1352、ADL-300E監控儀表及TPC7062KS觸摸屏組成電力監控系統。
圖1 電源監控一次配電圖
4.2 組網結構圖
系統采用三層網絡分布式結構,子站直接由人機界面TPC7062KS屏進行監控、采集現場儀表,見圖2。
圖2 電源監控組網結構圖
4.3 電源進線監控
電源進線監控由顯示觸摸屏與DTSD1352-H組成。
4.3.1 觸摸屏
觸摸屏采用昆侖通態7英寸屏,型號為TPC7062KS,工作電源DC24V/30W,主要性能特點有,具有兩個可同時使用的串行口,用于多臺儀表通訊,可讀取所有儀表采集得到的數據,并能在線設置儀表的變比。觸摸屏采集得到的數據可通過RS232接口,以Modbus-RTU協議轉發給其它設備(如計算機),若需采用RS485傳輸,需另行加配RS485-RS232轉換器。
觸摸屏主要實現的功能是及時將各個儀表采集到的數據動態顯示到人機交互界面,在需要報警的時候進行報警或報警數據存儲上傳,以及實時、歷史報警顯示等。所能存儲的報警記錄大于20000條。
主要檢測數據對象有母線電流、電壓、功率、電能、母線諧波數據,各個支路電壓、電流、功率、電能,及各個支路的分合狀態。顯示以數字顯示、折線圖、條形圖為主,見圖3。
圖3 監控系統界面
觸摸屏安裝為嵌入式,觸摸屏面框尺寸226.5×163mm,開孔尺寸215×152mm。
觸摸屏也可選配其它廠家具有相同性能的產品。
4.3.2 母線電參數檢測儀表——DTSD1352-H
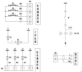
儀表不需要工作電源,功耗≤3W;電壓信號輸入,220V/380V 50Hz;電流信號輸入,不大于63A時直接輸入,63A以上二次輸入0~5A。主要功能有測量常規的三相交流電量,如相電壓、線電壓、電流、有功功率、無功功率、視在功率、功率因數等,其中功率與功率因數可同時檢測分相與三相總的參量;電能有四象限電能,包括吸收有功電能,釋放有功電能,感性無功電能,容性無功電能;以及測量電壓、電流總諧波含量,用戶可以方便的對供電電網質量進行分析。
二次原理見圖4,DTSD1352-H在電流不大于63A時可直接接入,不需要經過電流互感器,大于63A時采用二次輸入0-5A。安裝結構為DIN35mm導軌,見圖5。

圖4 DTSD1352-H二次原理圖

圖5 DTSD1352-H儀表外形及尺寸
4.4 支路監控
支路監控有2種監控方案。
4.4.1 大電流分支回路監控儀表DTSD1352
該儀表主要監測電流大于63A的回路。儀表不需要工作電源,功耗≤2W;電壓信號輸入,0~300V/50Hz;電流信號輸入,一次電流80A以下直接輸入,80A以上二次輸入0~5A。主要功能有測量常規的三相交流電量,如相電壓、線電壓、電流、有功功率(分相與合相)、無功功率(分相與合相)、視在功率(分相與合相)、功率因數(分相與合相)等;電能有四象限電能,包括吸收有功電能,釋放有功電能,感性無功電能,容性無功電能;該儀表可用于1個三相回路中也可用于3個獨立的單相回路。
二次原理同DTSD1352-H,見圖4。安裝結構為DIN35mm導軌,見圖6。
圖6 DTSD1352儀表外形及尺寸
4.4.2 小電流分支回路監控儀表 ADL-300E
該儀表主要監測電流小于63A的回路。儀表工作電源,AC85~265V,功耗≤2W;電壓信號輸入,220V/380V 50Hz;電流信號輸入,二次輸入0~50mA。主要功能有測量常規的三相交流電量,如相電壓、線電壓、電流、有功功率、無功功率、視在功率、功率因數,其中功率與功率因數可同時檢測分相與三相總的參量;電能計量包括有功電能及無功電能;該儀表可用于三相回路中也可用于3個獨立的單相回路。
用于三相回路的二次原理見圖7,ADL-300E支持0.05A電流信號接入,電流互感器二次側不允許接地。

圖7 ADL-300E用于三相回路二次原理圖
用于3個獨立的單相回路二次原理見圖8,ADL-300E支持0.05A電流信號接入,電流互感器二次側不允許接地。安裝結構為DIN35mm導軌,見圖9。

圖8 ADL-300E用于3個獨立的單相回路二次原理圖

圖9 ADL-300E儀表外形及尺寸
6 系統報價
單位:元(RMB)
|
名稱 |
型號 |
單位 |
面價 |
備注 |
|
監控主機 |
IPC610H/PIV2.8G/1G/120G/166x DVD/KB+MS/D-Link530+外設 |
臺 |
8500 |
均可用戶自備,以當時市場價格為準,該報價僅供參考 |
|
顯示器 |
三星19寸液晶顯示器 |
臺 |
3000 |
|
三星22寸液晶顯示器 |
臺 |
3800 |
|
打印機 |
HP LaserJet 1020 A4 |
臺 |
2500 |
|
EPSON-LQ1600KIIIH A3 |
臺 |
4000 |
|
UPS電源 |
山特C1KS |
臺 |
5000 |
|
山特C2KS |
臺 |
6500 |
|
通訊線纜 |
五類線 |
米 |
4.6 |
|
屏蔽雙絞線RVVP 2×1.0 |
米 |
5.6 |
|
光纖(多模) |
米 |
6.6 |
|
通訊機柜 |
1200×600×600 |
面 |
3000 |
|
2200×600×600 |
面 |
5000 |
|
光電轉換 |
HTB-1000 |
只 |
750 |
遠距離傳輸 |
|
終端盒 |
只 |
60 |
|
尾纖 |
面 |
50 |
|
耦合器 |
面 |
50 |
|
熔接點 |
個 |
50 |
|
通訊轉換 |
擴展卡ACRNET-PCI/4 |
塊 |
3000 |
擴展卡 |
|
串口服務器ACRNET-PORT(2口) |
只 |
3000 |
串口服務器 |
|
串口服務器ACRNET-PORT(4口) |
只 |
5500 |
|
通訊前置機ACRNET-UC02(2口) |
只 |
4000 |
通訊前置機 |
|
通訊前置機ACRNET-UC04(4口) |
只 |
6000 |
|
通訊前置機ACRNET-UC08(8口) |
只 |
11500 |
|
通訊管理機ACRHMI |
臺 |
30000 |
人機界面 |
|
組網設備 |
網絡交換機EDS-208 |
臺 |
3000 |
局域組網 |
|
網絡交換機EDS-408 |
臺 |
8500 |
|
監控軟件 |
Acrel監控組態軟件 |
系統組態軟件
圖形組態軟件
電能管理軟件
數據庫軟件 |
套 |
3萬 |
設備數量1~10 |
|
4萬 |
設備數量11~20 |
|
6萬 |
設備數量21~40 |
|
8萬 |
設備數量41~80 |
|
10萬元以上 |
設備數量80以上 |
|
雙機版 |
|
套 |
|
單機價格×1.5 |
|
數據轉發 |
每+1用戶 |
套 |
3000 |
|
|
Web發布 |
每+1用戶(總用戶數≤5) |
套 |
5000 |
|
|
電力儀表 |
DTSD1352-H |
臺 |
2950 |
|
|
DTSD1352 |
臺 |
2050 |
|
|
ADL-300E |
臺 |
1200 |
|
|
AMC16-3E3 |
臺 |
3250 |
|
|
AMC16-1E9 |
臺 |
3250 |
|
|
ARTU-K32 |
臺 |
3200 |
|
注:電力儀表和導軌式安裝電表可按上述報價的70%優惠供應。
7 結束語
隨著信息時代的來臨,各類數據信息中心的建設進一步加快,對數據的安全防護也需要進一步加強和完善,希望通過一定數量的數據中心的建設和運營管理,能為其數據信息電源安全設計提供更多的有效經驗。該系統先后在中國銀行信息大樓、中國移動東北三省通訊基站改造、吉林聯通、中國郵政總局機房改造等項目中應用,為數據中心電源安全、綠色運行提供了保障。
|