
| 產品系列 |
規格代號 |
顏色代碼 |
電壓代碼 |
特性代碼 |
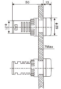
| AD103-22 |
FM |
/■ |
■ |
■ |
|
AD103-22
系列信號燈 |
蜂鳴器 |
R:紅色 G:綠色 Y:黃色 W:白色 B:藍色 K:黑色 |
21:AC DC6V 22:AC DC12V 23:AC DC24V 24:AC DC36V 25:AC DC48V 26:AC DC110V 27:AC DC127V 28:DC 220V 31:AC 220V 32:AC 380V |
A:連續 B:間斷 |
說明
1、在第1個“■”處填寫顏色代碼,第2個“■”處填寫電壓等級代碼,第3個“■”處填寫特性代碼。
2、型號舉例:
紅色,AC DC24V,連續蜂鳴器:AD103-22FM/R23A
黃色,AC380V,間斷蜂鳴器:AD103-22FM/Y32B
詳細技術參數請下載產品文檔。